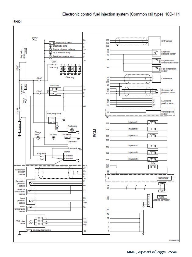
Isuzu Engine Wiring Diagram Download Isuzu Nrr Wiring Wiring Diagrams Resources Source : 2.eu.lifeguide-ilona-thomsen.de Download Generator Coil Diagram E26 Wiring Diagram Source : 6.rg.biop-institut.de Download 2006 Isuzu Npr Wiring Diagram Source : Download Isuzu Service And Repair Manuals Free Repair Guides Source : cardiagn.com Download 2004 Isuzu Engine Diagram Wiring Diagrams Site Source : 145.oc.sam-wenzel.de Download 2004 Isuzu Engine Diagram Wiring Diagrams Site Source : 145.oc.sam-wenzel.de Download Isuzu Nrr Wiring Wiring Diagrams Resources Source : 2.eu.lifeguide-ilona-thomsen.de Download 95 Isuzu Trooper Engine Diagram Wiring Diagram Go Source : 5.hngfs.morobot.de Download 1999 2004 Diesel Engine 4he1 Tc Repair Shop Manual Isuzu Npr Nqr Source : www.faxonautoliterature.com Download Isuzu 6hk1 Wiring Diagram Wiring Diagrams Resources Source : 3.eu.lifeguide-ilona-thomsen.de Share on Facebook Share on Twitter Share on Google+
0 komentar:
Post a Comment