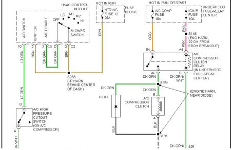
Chevy Ac Wiring Diagram Download Awesome Collection Of 2000 Chevy S10 Wiring Diagram Wiring Diagram Source : www.pinterest.com Download Mustang Faq Wiring Engine Info Source : www.veryuseful.com Download 2000 Pat Wiring Diagram Wiring Diagrams Source : 1.12.lariches.de Download 2003 Chevy 1500 Blower Motor Wiring Diagram Wiring Diagrams Source : 178.ry.lariches.de Download 70 Chevy A C Wiring Diagram The 1947 Present Chevrolet Gmc Source : 67-72chevytrucks.com Download Diagram 1996 S10 A C Clutch Wiring Diagram Full Version Hd Source : usecasediagram.immac.it Download Diagram 2011 Tahoe Wiring Diagram Full Version Hd Quality Wiring Source : wiringdiagram.novamedia.fr Download Air Conditioner Not Working Air Conditioning Problem V8 Two Wheel Source : www.2carpros.com Download 1999 Gmc P30 Wiring Diagram E26 Wiring Diagram Source : 5.rg.biop-institut.de Download I Have A 96 Chevy 1500 4x4 The Ac Worked Fine Yesterday But Today Source : www.justanswer.com Share on Facebook Share on Twitter Share on Google+
0 komentar:
Post a Comment