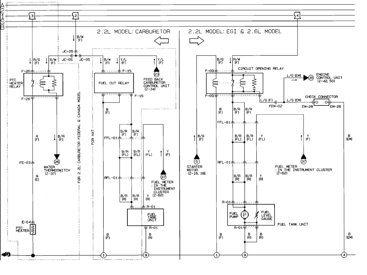
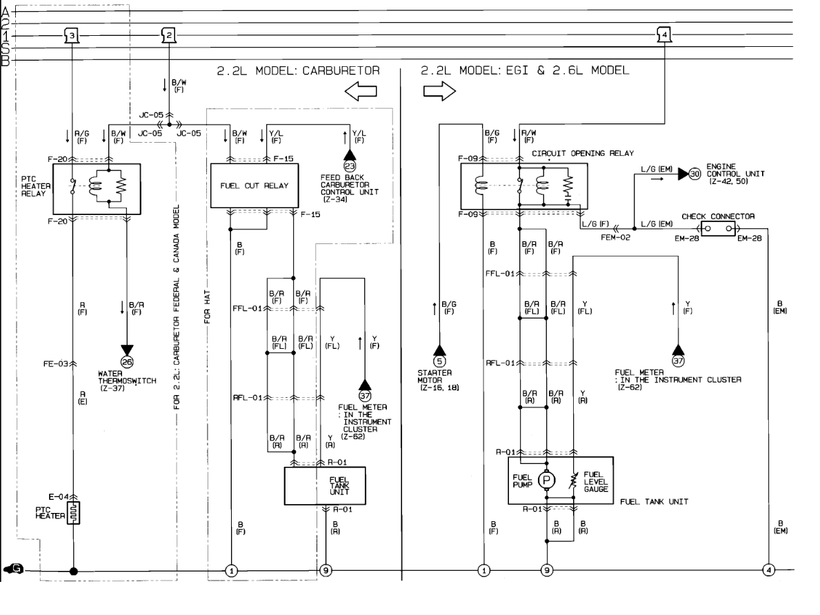
Mazda Fuel Pump Diagram Download Fuel Control Relay Location Where Under The Dash Is The Fuel Pump Source : www.2carpros.com Download Wire Diagram Any One Mazda 6 Forums Source : www.mazda6club.com Download Mazda 626 Wiring Diagram Wiring Diagrams Resources Source : 2.eu.lifeguide-ilona-thomsen.de Download Mazda Exhaust Diagram Box Wiring Diagram Source : 3.www.wellnesshuerth.de Download 1990 Mazda B2200 Fuel Pump Relay Location Source : Download Mazda 6 Fuel Filter Location Wiring Diagrams Source : www.mediaminer.de Download Sm 8954 Mazda 6 Fuel Pump Diagram Source : joami.seve.oidei.phil.effl.ntnes.animo.umize.hapolo.mohammedshrine.org Download Mazda Rx7 Drawing At Getdrawings Free Download Source : getdrawings.com Download Bn 2732 Mazda Fuel Pump Diagram Source : anist.penghe.arch.joami.mohammedshrine.org Download Mazda 3 Service Manual Fuel Line Pressure Inspection Skyactiv G Source : www.mazda3tech.com Share on Facebook Share on Twitter Share on Google+
0 komentar:
Post a Comment